| Kullanılabilirlik Durumu: | |
|---|---|
UTM-50PRS
EBP INSTRUMENTS
Shanghai
90 takım / ay
Önceden tt
1 set
Başvuru:
UTM-PRS Serisi (çift boşluk) Boru halkası sertlik testi makinesi, çoğunlukla halka sertliğini, halka yumuşaklık ve dairesel kesitlere sahip termoplastik turşun sıkışmasını belirlemek için kullanılır. Yapısal duvar boruları, PE oluklu borular, helisel olarak yara borular vb. Gibi her türlü plastik boruların gereksinimlerine uygundur.

Standartlar:
Makine ISO9969, ISO5893, ASTM D638, ASTM D790, ISO37, ASTM E4, ISO6892, ISO75000-1, EN 10002-4 standartlarını karşılayabilir.
Özellikler:
1. Düzensiz iç çaplara sahip borular için, iç çap deformasyonunu ölçmek için duvar kalınlığı deformasyon ölçüm cihazı da kullanılır. Ölçüm doğruluğu yüksektir ve kontrol doğru ve güvenilirdir.
2. Mikrobilgisayar kontrol tipi, profesyonelce tasarlanmış veri toplama ve amplifikasyon sistemi ve kontrol yazılımı gelişmiş çip entegrasyon teknolojisine sahiptir. Kontrol yazılımı, standart gereksinimlere göre halka sertliği ve halka uygunluğu gibi test verilerini otomatik olarak alabilir.
3. Gelişmiş Kapalı Döngü AC Servo Kontrol Sistemi, kontrol doğruluğunu ve kararlılığını arttırmayı sağlar. Yüksek çözünürlüklü reklam örnekleme devresi, test verilerini toplamak için tanıtılır, tepe değeri bile kaybolmaz.
4. İç çap ölçüm sisteminin benzersiz tasarımı, numunenin takılması ve doğru sensörü ölçülmesi kolaydır.
Teknoloji parametresi:
PRS-30W | PRS-50W | PRS-100W | PRS-200W | Prs-300ew | |
Maks. Yük (KN) | 30 | 50 | 100 | 200 | 300 |
Kalibrasyon Standardı | Sınıf 0.5 | ||||
Yük aralığı | % 0.4 ~ 100% F.S | ||||
Yer değiştirme çözünürlüğü | 0.001mm | ||||
Test hızı (mm / dak) | 0.05-500 | ||||
Çapraz kafa hızı | ± ayarlanan hızın% 0.5'i | ||||
Boru Çapı aralığı | Özelleştirilmiş (110mm-3000mmm) | ||||
Etkili Test Genişliği | |||||
Güç kaynağı | AC 220V / 380V | ||||
Ana aksesuarlar:
Bir yıllık ve kullanım talimatlarında garanti edilen kitap.
Bir armatür grubu (sıkıştırma)
Halka sertliği için özel deformasyon ölçüm cihazı
Yüksek hassasiyetli ABD yük hücresi yüksek sertlik, yüksek stabilite ve yüksek doğrusallık sunar

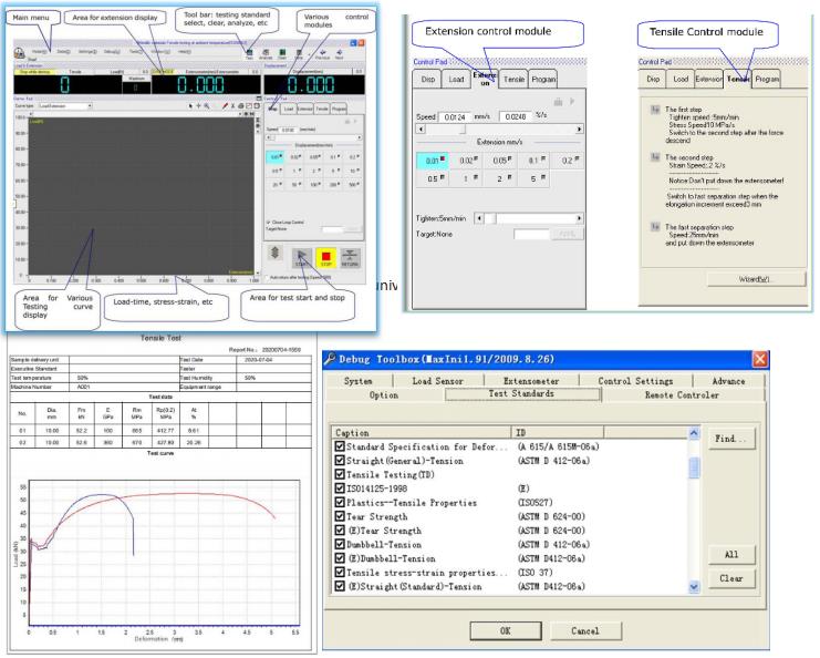
Windows Çalışma ortamında test makinesi için özel kontrol yazılımı
Bilgisayar yazılımı arayüzü, ekran testi veri, kurulum yöntemi, örnek boyutu
Yükü görüntüleyebilir - yer değiştirme, Yük zaman, yük-ekstansiyon, stresi-suş, gerilme zamanı, gerilme süresi, yük stresi, stres kazanma, görüntüleme ve yazdırma zamanı; Herhangi bir zamanda gözlemlemek, yakınlaştırmak ve uzaklaştırmak, yatay veya dikey hareketi, gerçek zamanlı yüksek hızlı örneklemeyi değiştirebilir.
Test edilen ürün bilgisi: Kullanıcılara Ürünler hakkında ayarlanan verilerle, bir kalıcı olarak girme ve yeniden kullanım zamanı. için doğruluğun iyileştirilmesi, veriler olabilir formül tarafından otomatik olarak düzeltildi.
Birim kg, n, lb değiş tokuş edilebilir

Test Standardı: Kullanıcılara, GB, ASTM, DIN, JIS, BS ... ve diğer test standart özelliklerini kapsayan teste gerekli uygulamaları sağlayın.
Çıktı ve Yazdırma Raporu: Excel, Word, Şablon Test Raporu, Özelleştirilebilir Test kişi, test standardı, test eğrisi, test etmek de dahil olmak üzere test bilgilerini göster Yük vb, şirket logonuzu ve şirket adınızı, düzenlemeyi kolaylaştırabilir.
